Ваш город:
Выберите город
+7 (987) 278-44-42 | +7 (900) 320-61-90 Почта для заказа: andrey_stn@mail.ru
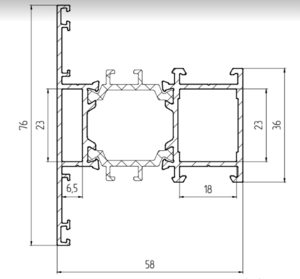
Шина
Штапик для заполнения 32 мм
Штапик для заполнения 24 мм
Закладная для углового соединения
Закладная
Створка с фурнитурным пазом от ПВХ систем
Рама в "витраж". Применяется при использовании створки МП-5807
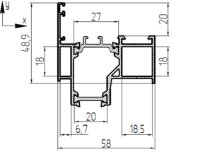
Импост
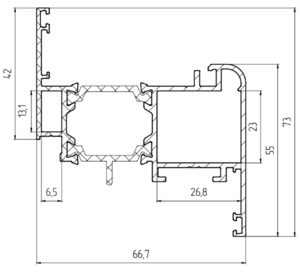
Створка
Рама в витраж
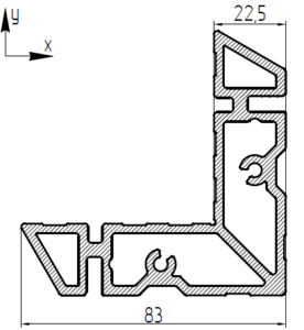
Рама
Мы используем файлы cookie для улучшения работы сайта. Продолжая использовать сайт, вы соглашаетесь с использованием cookie.